柴油發電機組配件CV67245汽缸蓋、OE50588進氣門、OE50118氣門座圈、OE43070氣門導管、OE52907搖臂組合
項目 零配件號碼 最近的部分號碼 描述
1 OE51592 2 CV67245 汽缸蓋裝備 -主修科目
25 OE51276 2 OE51276 密合墊 - 汽缸蓋 U961005B
25 OE50116 2 OE50116 密合墊 - 汽缸蓋 U961004B
26 OE52732 42 OE52732 螺拴
27 2 螺拴
Item Parts No. Qty. Latest Part No. Description Cut Out Cut In Comment
1 OE51592 2 CV67245 CYLINDER HEAD KIT - MAJOR
25 OE51276 2 OE51276 GASKET - CYLINDER HEAD U961005B
25 OE50116 2 OE50116 GASKET - CYLINDER HEAD U961004B
26 OE52732 42 OE52732 BOLT
27 2 BOLT
項目 零配件號碼 最近的部分號碼 描述
2 OE50117 1 OE50117 汽缸蓋裝備 -主修科目
13 OE50588 3 OE50588 進氣門
14 OE42266 3 OE42266 位子
15 CV68907 3 CV68907 氣門彈簧外部的
15 OE42300 3 CV68907 氣門彈簧外部的
16 OE30935 6 OE30935 位子
17 OE2582 6 OE2582 氣門筒夾
18 OE50589 3 OE50589 排氣氣門
19 OE42266 3 OE42266 位子
20 OE2582 6 OE2582 氣門筒夾
21 CV68908 3 CV68908 氣門彈簧內部
21 OE42301 3 CV68908 氣門彈簧內部
22 OE5718 6 OE5718 密封 - O 的圈
23 CV68907 3 CV68907 氣門彈簧外部的
23 OE42300 3 CV68907 氣門彈簧外部的
24 CV68908 3 CV68908 氣門彈簧內部
24 OE42301 3 CV68908 氣門彈簧內部
Item Parts No. Qty. Latest Part No. Description Cut Out Cut In Comment
2 OE50117 1 OE50117 CYLINDER HEAD KIT - MAJOR
13 OE50588 3 OE50588 INTAKE VALVE
14 OE42266 3 OE42266 SEAT
15 CV68907 3 CV68907 VALVE SPRING OUTER
15 OE42300 3 CV68907 VALVE SPRING OUTER
16 OE30935 6 OE30935 SEAT
17 OE2582 6 OE2582 VALVE COLLET
18 OE50589 3 OE50589 EXHAUST VALVE
19 OE42266 3 OE42266 SEAT
20 OE2582 6 OE2582 VALVE COLLET
21 CV68908 3 CV68908 VALVE SPRING INNER
21 OE42301 3 CV68908 VALVE SPRING INNER
22 OE5718 6 OE5718 SEAL - O RING
23 CV68907 3 CV68907 VALVE SPRING OUTER
23 OE42300 3 CV68907 VALVE SPRING OUTER
24 CV68908 3 CV68908 VALVE SPRING INNER
24 OE42301 3 CV68908 VALVE SPRING INNER
項目 零配件號碼 最近的部分號碼 描述
3 OE50118 3 OE50118 氣門座圈
(3) OE50178 3 OE50178 氣門座圈
4 OE49094 3 OE49094 氣門座圈
(4) OE50149 3 OE50149 氣門座圈
5 OE43070 3 OE43070 氣門導管
6 OE46001 3 OE46001 氣門導管
7 OE50207 3 OE50207 套筒
8 OE49978 3 OE49978 封閉砂條
9 ST33602 1 ST33602 栓塞
10 ST33606 5 ST33606 栓塞
11 ST33609 5 ST33609 栓塞
12 ST33613 4 ST33613 栓塞
Item Parts No. Qty. Latest Part No. Description Cut Out Cut In Comment
3 OE50118 3 OE50118 INSERT
(3) OE50178 3 OE50178 INSERT
4 OE49094 3 OE49094 INSERT
(4) OE50149 3 OE50149 INSERT
5 OE43070 3 OE43070 VALVE GUIDE
6 OE46001 3 OE46001 VALVE GUIDE
7 OE50207 3 OE50207 SLEEVE
8 OE49978 3 OE49978 SEALING RING
9 ST33602 1 ST33602 PLUG
10 ST33606 5 ST33606 PLUG
11 ST33609 5 ST33609 PLUG
12 ST33613 4 ST33613 PLUG
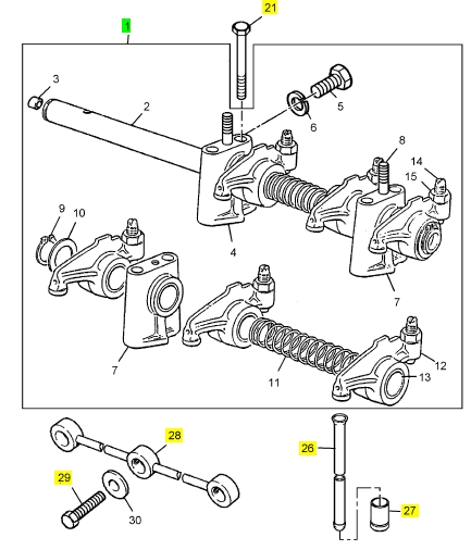
項目 零配件號碼 最近的部分號碼 描述
1 OE52907 2 OE52907 搖臂組合
21 UF1569 12 UF1569 固正螺釘
26 OE42184 12 OE42184 PUSHROD
27 OE51590 12 OE51590 挺桿
28 OE51761 1 OE51761 油管
29 OE49346 3 OE49346 螺拴
Item Parts No. Qty. Latest Part No. Description Cut Out Cut In Comment
1 OE52907 2 OE52907 ROCKER SHAFT ASSEMBLY
21 UF1569 12 UF1569 SETSCREW
26 OE42184 12 OE42184 PUSHROD
27 OE51590 12 OE51590 TAPPET
28 OE51761 1 OE51761 OIL PIPE
29 OE49346 3 OE49346 BOLT
項目 零配件號碼 最近的部分號碼 描述
2 OE50459/1 1 OE50459/1 搖臂 ASSY
4 OE50854 2 OE52906 托架
4 OE52906 2 OE52906 托架
5 UF1502 1 UF1502 螺拴
6 0920053 1 0920053 墊圈
7 OE50852 1 OE50852 托架
8 OE50853 3 OE50853 圖釘
9 KB14169 2 OE52557 CIRCLIP
10 OE431 2 OE431 墊圈
11 OE429 2 OE429I 搖臂彈簧
12 OE42278 6 OE42278 搖臂組合
Item Parts No. Qty. Latest Part No. Description Cut Out Cut In Comment
2 OE50459/1 1 OE50459/1 ROCKER SHAFT ASSY - MINOR
4 OE50854 2 OE52906 PEDESTAL
4 OE52906 2 OE52906 PEDESTAL
5 UF1502 1 UF1502 BOLT
6 0920053 1 0920053 WASHER
7 OE50852 1 OE50852 PEDESTAL
8 OE50853 3 OE50853 STUD
9 KB14169 2 OE52557 CIRCLIP
10 OE431 2 OE431 WASHER
11 OE429 2 OE429I ROCKER SHAFT SPRING
12 OE42278 6 OE42278 ROCKER ARM ASSEMBLY
Item Parts No. Qty. Latest Part No. Description Cut Out Cut In Comment
13 OE28549 1 OE28549 BUSH
14 OE41699 1 OE41699 SCREW
15 OE42293 1 OE42293 LOCKNUT
項目 零配件號碼 最近的部分號碼 描述
1 OE51437 2 OE51437 汽缸蓋蓋
2 CV67896 2 CV67896 密合墊 -CYL。 冒口蓋
3 32726535 6 32726535 螺帽
4 0920009 6 0920009 墊圈
5 33817132 6 密封
Item Parts No. Qty. Latest Part No. Description Cut Out Cut In Comment
1 OE51437 2 OE51437 CYLINDER HEAD COVER
2 CV67896 2 CV67896 GASKET - CYL. HEAD COVER
3 32726535 6 32726535 NUT
4 0920009 6 0920009 WASHER
5 33817132 6 Check History SEAL
項目 零配件號碼 最近的部分號碼 描述
1 OE50326 1 OE50326 車橋
2 OE51293 1 OE51293 惰輪傳動機構
8 OE2297 2 OE2297 合釘
9 UF1604 3 UF1604 固正螺釘
10 0920055 3 0920055 墊圈
11 OE2296 2 OE2296 圈
Item Parts No. Qty. Latest Part No. Description Cut Out Cut In Comment
1 OE50326 1 OE50326 AXLE
2 OE51293 1 OE51293 IDLER GEAR
8 OE2297 2 OE2297 DOWEL
9 UF1604 3 UF1604 SETSCREW
10 0920055 3 0920055 WASHER
11 OE2296 2 OE2296 RING
購買配件須知:
1、購買前請確認零部件型號、技術參數、編碼、適用機型。因批次不同或存在零部件差異,請以實物為準。
2、為選購正確的零部件,可以通過對比現場零部件和本網站所展示的是否一致,來確保購買到準確的零部件。
3、本網站目前暫未上架全部機型的零部件,如在網站中未查詢到的零部件,請聯系我們。

廈門永新昌公司成立于1993年,是一家集叉車銷售、維修、租賃、配件批發為主營業務的企業,為大多數知名企業提供搬運設備,公司擁有眾多設備資源可供選擇。
Copyright © 1993-2025 廈門永新昌機械設備有限公司 All rights reserved.
銷售熱線:0592-5806900 叉車配件:0592-5814841 網站備案號:閩ICP備17018322號-1








